029-88188777
首页
关于我们
企业简介
企业优势
企业架构
企业理念
专家团队
业务范围
报告公示
诚信承诺书
当年评价报告
往年评价报告
通知
荣誉资质
资质证照
荣誉表彰
标准化资质
相关文件
管理体系证书
案例展示
典型案例
典型客户
企业文化
公司年会
培训剪影
公司团建
回馈社会
新闻资讯
公司动态
安全服务动态
安全生产动态
联系我们
诚聘英才
联系方式
新闻资讯
News Information
首页
>>
新闻资讯
>>
2022年公示报告汇总表
新闻资讯
/
News
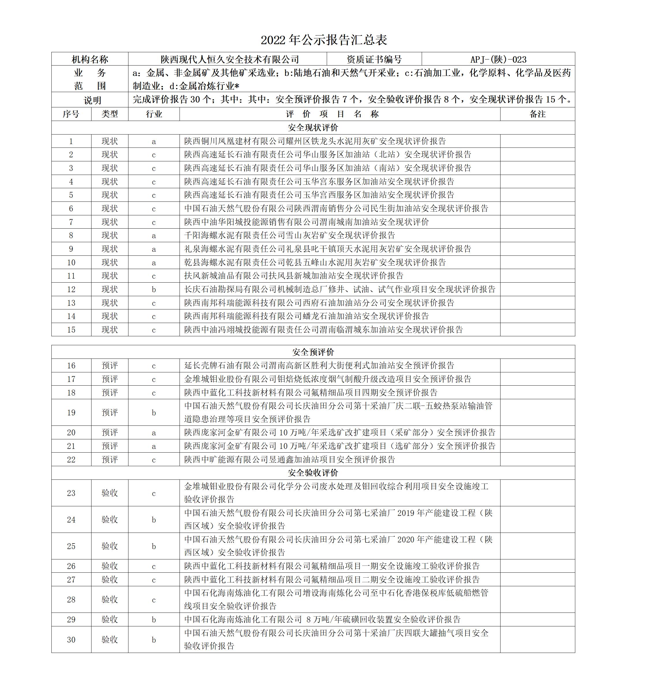
2022年公示报告汇总表
来源:
|
作者:
佚名
|
发布时间 :
2023-02-23
|
7
次浏览:
|
分享到:
上一篇:
2023年公示报告汇......
下一篇:
2021年公示报告汇......
公司动态
安全服务动态
安全生产动态